Волокуши и нарты для снегохода: как сделать своими руками

Завершающий этап – полозья

Сделать полозья не так уж и просто. Если их делать из метала, тогда лучше взять нержавеющую сталь. Эту часть саней нужно делать плоскими кованными. Вам нужна будет помощь, чтобы согнуть их.

Когда вы решили делать полозья из дерева, тогда вам нужно сделать выкройку и перенести ее на дерево. С помощью лобзика, вырежьте полозья и повторите такую операцию еще раз, для другого полозья. Используя шлифованную машинку, зачистите ребра вырезанных полозьев.

Делая большие сани, нужно прикрепить к полозьям дополнительные планки и закрепить их круглыми шипами, на которых уже есть клей. Благодаря этому, сани будут надежными и крепкими. Когда клей высох, нужно обрезать ненужные части шипов и прошлифовать их вместе с полозьями.

Чтобы прикрепить между собой полозья, нужно просверлить глухие дырки в середине круглых поперечин. После этого, просверлите отверстия в полозьях и с помощью деревянного шипа, прикрепите к ним поперечины.

Последний штрих – это приделать к нижней части полозьев алюминиевый лист, закрепив его шурупами. Это нужно для того, чтобы сани было легко передвигать по снегу.

Недостатки

Сложно найти недостатки в санях такой простой конструкции, поскольку они полностью справляются с возложенными на них задачами. Рыболов может быть недоволен конкретной моделью. Например:

  • большой размер;
  • малая вместительность;
  • неудобно фиксировать снаряжение;
  • низкие борта или передняя часть.

Некоторые рыболовы жалуются, что с волокушами неудобно перемещаться по высокому рыхлому покрову. Сани, нагруженные всем имуществом, утапливаются в снег, усложняя движение. Приходится прикладывать дополнительные усилия, что быстро выматывает на длительных переходах.

Приступаем к изготовлению санок из металла

Длину полозьев определяйте на свое усмотрение.

  1. После этого необходимо разрезать трубу в длину на две равные половинки.
  2. Теперь у нас есть 2 полоза; Часть спереди подогните в направлении вверх; Из квадратного профиля в углубление полозков приварите стойки.
  3. Планки из металлического угла необходимо вырезать.
  4. Определите длину самостоятельно; планками верхушки передних и задних стоек спереди и сзади объедините.
  5. Используйте сварку. Закрепите углы, вварив металлические косынки; концы полозков необходимо соединить планкой;
  6. Отрежьте часть трубы так, чтобы она была равна полозьям.
  7. Разъедините трубу на две части; к полозьям прикрепите две половинки трубы.

Как самостоятельно изготовить снегоход из мотоблока

Для нашей страны снегоход является лучшим транспортным средством в зимний период. Он отличается высокой проходимостью в сугробах, а также хорошей маневренностью. К тому же у него минимальный расход топлива.

На рынке можно встретить снегоходы от разных производителей, но они стоят недешево, и купить их сможет не каждый. Умельцы наловчились изготавливать снегоход из мотоблока своими руками. Для этого нужны соответствующие инструменты, детали, время и немного смекалки. Стандартным набором для создания снегохода являются:

Рулевая система данного транспортного средства находится впереди. Она управляется за счет лыж.

Рассмотрим, как изготовить снегоход на базе мотоблока Нева. Для того чтобы собрать такую машину, в первую очередь нужен мотоблок. Он выступает в роли двигателя. В нашей стране большой популярностью пользуется мотоблок Нева с японским двигателем и воздушным охлаждением. Всего насчитывается 8 моделей данной марки. Мотор работает от бензина, мощность которого в зависимости от модели варьируется от 6 до 9 л.с. Скорости переключаются цепным редуктором. Их всего четыре. Вместительность топливного бака варьируется от 3 до 5 л.

По своей мощности мотоблок Нева идеально подходит для переделки под снегоход. Он универсален, так как мощности двигателя достаточно для перевозки объемного груза или нескольких человек. Мотоблок может развить скорость до 60-80 км/ч. В продаже есть гусеничная приставка к агрегату Нева, которая без труда собирается и устанавливается.

Разберемся, как сделать снегоход для мотоблока своими руками. Для начала нужно разработать план переделки и четко представить, что вам предстоит делать. Идеальным вариантом является создание чертежа, по которому можно будет безошибочно провести расчеты. Если у вас с черчением плохо, то можно найти готовые чертежи ранее изготовленных снегоходов, и подобрав более подходящий вариант, начать сборку.

Новичкам в этом деле рекомендуется создание небольшого макета, который можно сделать из обычного картона. Неплохо бы для представления будущего устройства рассмотреть уже изготовленные модели других людей, чтобы иметь лучшее представление предстоящей работы. В интернете есть много самодельных прототипов снегоходов.

Следующим шагом является составление списка нужных материалов, деталей и инструментов, нужных для снегохода. После приобретения всего необходимого смело можно переходить к сборке. Вообще сборку мотоблока лучше разделить на несколько этапов, так будет легче справиться с поставленной задачей. Последовательность работы выглядит примерно таким образом:

  1. Изготовление рамы. Оптимальным решением является готовая рама от мотоцикла. Если таковой нет, то используются прочные трубы. С помощью трубогиба можно получить платформу желаемой формы и, воспользовавшись сварочным аппаратом, соединить концы.
  2. Монтирование деталей. К раме приваривается опора (кронштейн), к которой будет прикреплен мотоблок. Далее следует установка мотоблока, сиденья и различных деталей: рулевых колонок, амортизатора, полозьев и пр.

Нужно быть очень внимательным и уделять особое внимание размерам деталей. Они должны быть исполнены четко по схеме, в противном случае снегоходная приставка к мотоблоку будет подлежать переделке из-за неточностей

Подробная инструкция по изготовлению саней для лошади своими руками

Наиболее важным и сложным элементом в конных санях являются полозья. Лучше всего их изготавливать из металла, чтобы ускорить процесс сборки. Идеально подойдет простая углеродистая сталь или нержавейка. Качественные полозья лучше всего изготавливать кованными плоскими из цельного листа металла, но очень часто их делают из обычных металлических труб. Чтобы их правильно согнуть необходимо будет воспользоваться помощью других людей или специальных приспособлений.

После окончательного изготовления полозьев, можно переходить к сборке основы изделия. Она представляет собой поперечные стойки и перекладины, расположенные с обеих сторон. Они изготавливаются из металлического профиля или труб. Абсолютно все элементы конструкции необходимо надежно закрепить при помощи сварочного аппарата.

Далее, необходимо к передней части приварить пластины из металла, на которые впоследствии будут крепиться оглобли. После окончания изготовления ходовой части, можно приступать к кузову саней. Он делается из дерева и бывает самых разнообразных конструкций. Сделайте для этого зарисовку или чертеж. Это поможет воплотить в жизнь наиболее смелые решения. После изготовления кузова, его внутреннюю часть и днище можно обшить листами фанеры, а сверху обклеить войлоком или дерматином. В конце работы закрепляются оглобли из дерева и конные сани можно считать готовыми.

Как сделать телегу?

Инструменты и материалы

Делаем сани своими руками

Инструменты и материалы

Видео «Как делают сани»

Комментарии и Отзывы

Почему самодельные

Существует несколько факторов, которые толкают рыболовов к занятиям рукоделья. Одни хотят сэкономить, а другие – сделать лучше. Некоторые рыболовы хотят создать эксклюзив, чтобы хвастаться перед друзьями и выделятся среди толпы. Кто-то не хочет тратиться на покупку фабричной товара. А кто-то хочет сделать качественное средство передвижения, которое будет служить долгие годы и не подведет в самый ответственный момент.

Эту ситуацию хорошо описывает одна поговорка, которая гласит, что если хочешь хорошо, то нужно делать это самостоятельно. В нашем случае под словом хорошо подразумевается не только качество и надежность волокуши, но и то, насколько точно она отвечает вашим требованиям. Поэтому в этой статьи вы не найдете описания какой-то идеальной конструкции. Мы только рассмотрим возможные варианты, а вы выберете то, что лучше именно для вас.

Нарты для собак

Нарты для собак представляют собой специальные гоночные сани. Приобретать их рекомендуется вместе со специальной амуницией, которая позволяет запрячь животных. Существует множество разных моделей, однако для каждой вещи характерно несколько необходимых элементов:

  • Полозья — располагаются параллельно земле под небольшим углом, благодаря чему довольно устойчивы.
  • Дуга (второе название баран) — это специальное место, за которое держится погонщик во время движения.
  • Ножки-копылья — детали, которые соединены при помощи перекладин.
  • Специальный настил, на нем располагают груз либо находится пассажир.

Ездовые нарты могут быть сконструированы таким образом, что в них могут запрягаться от одной до полутора десятка собак.

Снегоходные санки – виды конструкций и принцип их работы

Есть несколько основных видов саней для снегохода, и каждый из них имеет преимущества и недостатки. Сани по своей конструкции весьма универсальны. Они легко крепятся ко всем видам снегоходов. Например к снегоходу Ямаха, Русская механика, Ермак, Викинг 540, Динго 150, БРП и Варяг 550.

Для того, чтобы выбрать подходящий вам тип, нужно учесть несколько факторов:

  • трассы и маршруты, по которым вам нужно перемещаться, особенности снежного покрова и рельефа местности;
  • вид перевозимых грузов;
  • стиль езды.

Подробнее о санях для снегохода смотрите на видео:

Волокуши – описание и размеры пластиковых снегоходных саней

Сани-волокуши — самый простой вариант.

Они обладают несколькими достоинствами:

  • компактность и низкий вес;
  • простота и скорость погрузки и выгрузки поклажи;
  • корпус волокуш не обмерзает.

Однако волокуши имеют серьезный недостаток — из-за особенностей конструкции их передняя часть часто повреждается. Стоит этот тип саней недорого, и делать его своими руками нецелесообразно.

Пассажирские

Пассажирские сани можно встретить нечасто. Обычно они представляют собой корпус, изготовленный из пластика или фанеры, установленный на полозья.

Для большего удобства пассажиров конструкция пассажирских саней может быть подрессорена, а в кабине могут быть устроены освещение и обогрев.

В продаже их найти нелегко, однако такие конструкции иногда изготавливают рыболовы-зимники и другие любители отдыха на природе в холодное время года.

В пассажирских санях можно перевозить одного или даже нескольких пассажиров, поэтому, имея всего один снегоход, обладатель этой конструкции может вывезти на заснеженную природу большую компанию.

Основные недостатки — большие габариты и вес конструкции. Из-за этого пассажирские сани можно прицеплять только к мощным многосильным снегоходам.

Грузовые

Грузовые сани — это самый универсальный и практичный вариант. Они устроены сложнее, чем волокуши, но в то же время намного проще пассажирских. Эти сани отличаются большой грузоподъемностью при малых габаритах.

Благодаря относительно небольшой площади контакта с поверхностью грузовые сани обладают более плавным ходом, чем волокуши — такие конструкции легко скользят на своих полозьях, легко преодолевая препятствия.

Поклажа в них защищена намного лучше. Ниже приведены фото самодельных саней для снегохода.

Благодаря тому, что их лыжи расположены на большом расстоянии друг от друга, грузовые сани также могут похвастать гораздо большей устойчивостью, чем волокуши.

Каждой весной владельцы участков занимаются посевом различных культур. Здесь вы можете ознакомиться с сеялкой точного высева.

Для перемалывания зерна используется специальное устройство – зернодробилка. С зернодробилкой Циклон это можно сделать быстро и качественно.

Стандартные грузовые сани состоят из трех основных элементов:

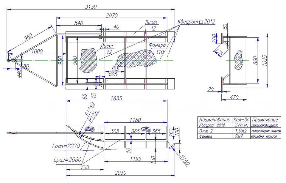
Каркас — это основа всей конструкции. К нижней части каркаса с помощью стоек крепятся полозья. Сверху располагается настил, на котором и будут размещаться грузы.

Для большего удобства и функциональности каркас грузовой тележки нужно оборудовать перилами и разместить на нем крытую конструкцию.

В таком боксе грузы будут надежно защищены от снега и ветра.

Как сделать сани для снегохода?

На самом деле сделать сани собственноручно не так сложно, как может казаться на первый взгляд. Перед началом работ нужно учесть несколько «моментов», от которых зависит будущий «продукт». Первым делом нужно понимать, где будут эксплуатироваться сани. Это может быть сплошная равнина или местность с возвышенностями, разной высотой снежного покрова. Кроме этого нужно выяснить, что или кто будет располагаться на санях. Так как существую пассажирские и грузовые сани. Есть ещё универсальные, которые кроме пассажиров помещают и небольшие грузы

Ну и последним, на что стоит обратить внимание, так это стиль езды. Каждому снегоходчику присущая своя манера езды

На одной скорости сани могут нормально себя вести, а на другой возможна поломка всей конструкции. К примеру, эксплуатировать сани-волокуши на неровностях при скорости равной 80-90 км/час – не самая лучшая идея. Так как сохранность перевозимых грузов остается под вопросом.

Рассмотрим несколько видов саней, которые под силу сделать своими руками:

  • Сани-волокуши являются самыми простыми по своей конструкции, идеально подходят для буксировки небольших грузов. Как правило, они имеют небольшие размеры и массу. Они очень просты в эксплуатации, за короткий промежуток времени на них можно загрузить необходимый груз. Волокуши в большинстве случаев изготовлены из пластика и поэтому на них не намерзает снег. Минусом таких саней является недостаточная механическая прочность, передняя часть очень часто ломается. Стоимость таких саней не высокая, поэтому целесообразно купить этот вид саней и не тратить свое время и силы.
  • Пассажирские сани. Это довольно таки редкий вид саней. Конструкция представляет собою корпус из метала или прочного пластика, который размещен на полозьях. Некоторые сани дополнительно оснащают освещением и даже обогревом. Для удобства дополняются крышей или тентом. Количество мест может быть совершенно разное. Существует немного производителей, которые зан6имаются разработкой пассажирских саней. Этот вид саней собственноручно зачастую изготавливается рыболовами, которые занимаются зимней ловлей. Кроме этого, пассажирские сани в совокупности со снегоходом выполняют роль общественного транспорта в некоторых регионах России. К минусам этих саней относят большую массу и габариты. Как результат, эксплуатация пассажирских саней возможна только с кубатурными снегоходами.
  • Грузовой вариант саней. Эти сани имеют куда проще конструкцию, нежели пассажирские, но в то же время соорудить их сложнее, чем сани-волокуши. Несмотря на свои небольшие габариты, грузовые сани характеризуются отличной грузоподъёмностью. Во время транспортировки груза, грузовые сани отлично скользят по поверхности за счет специальных полозьев. Это в свою очередь позитивно сказывается на движении снегохода в целом. Устойчивость грузовых саней по сравнению с волокушами или пассажирскими намного выше, то есть за сохранность груза можно не переживать.

Самодельные сани для снегохода из пластиковых труб: 10 шагов к мечте

Полимерные трубы – универсальный материал, который прекрасно подходит для обустройства систем водопровода, канализации и отопления в доме или квартире.

Однако в руках домашнего мастера, который обладает недюжинной фантазией и неуемным желанием что-то мастерить самостоятельно, ПВХ-детали могут превратиться в довольно замысловатые, но от этого не менее полезные изделия.

Например, в сани для снегохода из пластиковых труб, о процессе изготовления которых пойдет речь ниже.

Сани из пластиковых труб можно изготовить и самостоятельно

Волокуши

Очень распространенный вид саней. Их конструкция чрезвычайно проста. Они продаются во всех специализированных туристических магазинах и стоят сравнительно недорого.

Волокуши имеют один большой недостаток – из-за своих особенностей у них очень часто повреждается передняя кромка и сцепное устройство.

Но и преимущества налицо:

  • маленький вес;
  • низкий центр тяжести;
  • быстрая погрузка и выгрузка поклажи;
  • отсутствие обмерзания корпуса;
  • возможность транспортировать небольшой груз по воде.

Волокуши абсолютно не предназначены для транспортировки людей. Вся поверхность корпуса контактирует со снегом, в связи с чем установить амортизаторы не представляется возможным. Кроме того, в отличие от моделей с лыжами, эти сани воспринимают удары камней, сугробов и неровностей всем корпусом, что, несомненно, сказывается на комфорте.

Сани-волокуши

Пассажирские

Мало распространены в нашей стране из-за отсутствия соответствующей инфраструктуры (оборудованных снежных трасс и мест стоянки). Часто такие сани изготавливают самостоятельно любители зимних рыбалок.

Они представляют собой пластиковый или фанерный корпус, установленный на полозья. Кабина может быть оборудована обогревателем и осветительными приборами.

Недостаток – большой вес, потому для транспортировки нужно использовать мощные снегоходы, оборудованные четырехтактным силовым агрегатом.

Пассажирские сани для снегохода

Конструктивные особенности саней

До того как начинать работу по конструированию, необходимо разобраться, из каких основных элементов состоят сани. Дело в том, что процесс изготовления включает в себя несколько этапов, на каждом из которых делается какая-то узловая часть.

Необходимо, чтобы вы хорошо понимали назначение каждой из них:

Основная деталь любых саней – каркас, который является базовым опорным элементом для всей конструкции.Он должен быть максимально прочным, так как от него зависит:

    • безопасность эксплуатации самодельных саней;
    • длительность безаварийной работы;
    • надежность устройства в целом.

Учитывая, что сани для снегохода будут использоваться в сложных условиях, каркас должен хорошо переносить отрицательные температуры окружающего воздуха, а также удары, которым постоянно подвергаются сани при езде по лесу или кустарнику.

Конструкция саней: 1 – каркас, 2 – полозья, 3 – стойки, 4 – место спайки

В противном случае вы будете неприятно удивлены, когда груженые сани разваляться на части во время езды и вывалят весь ваш скарб на снег посреди лесной поляны.

Второй важный элемент – полозья. Здесь также очень важна прочность, однако, еще одна немаловажная деталь – легкость управления. От этого зависит, будут ли опрокидываться сани при прохождении поворотов или нет.

Последний момент – размеры конструкции. Этот параметр подбирается индивидуально исходя из задач, которые предполагается решать с ее помощью.

Сани могут быть небольшими, но маневренными и легкими. Либо это будет прочная надежная конструкция, предназначенная для перемещения значительных грузов. Решать вам.

Инструменты и материалы

Как только вы определились с размерами, можно приступать к работе.

Для того чтобы изготовить сани для снегохода из труб ПВХ, понадобятся следующие инструменты и материалы:

  • полимерные трубы для саней (их приобретают в магазине, но можно использовать и старые, оставшиеся после ремонта или демонтажа отслужившей водопроводной системы);
  • ножовка по металлу или специальные ножницы для порезки пластиковых труб;
  • аппарат для сваривания труб и фитингов;
  • промышленный фен, с помощью которого будут разогреваться, и гнуться пластиковые трубы;
  • острый слесарный нож;
  • шлифовальная бумага, напильник;
  • маркер для разметки деталей;
  • болты и гайки для закрепления деталей;
  • металлические уголки, которые укрепят узловые места сборки.

Пластиковые трубы для изготовления саней

ИЗГОТОВЛЕНИЕ МАЛЕНЬКИХ И БОЛЬШИХ САНОК

4. На боковине намечают скругление радиусом 140 мм (равным ширине доски). Вместо циркуля можно использовать шаблон (например, круглое дно ёмкости соответствующего диаметра). Затем по разметке опиливают деталь электролобзиком, а кромку тщательно шлифуют шкуркой.

5. В конструкции больших санок вместо круглого поперечного стержня предусмотрена доска шириной 60 мм, которая аналогично приклеивается к боковинам и фиксируется шкантами.

6. Когда клей схватится, выступающие концы шкантов срезают заподлицо с поверхностью боковины и обрабатывают шлифовальной шкуркой.

7. В досках сиденья выбирают пазы глубиной 10 мм и шириной 20 мм (по толщине боковин), чтобы с боковинами они образовывали надёжное соединение.

8. Задняя доска сиденья санок выступает примерно на 20 мм. Чтобы паза не было видно, к задней кромке этой доски приклеивают брусок сечением 20×20 мм.

9. Доски сиденья крепят к боковинам шкантами из красного дерева. Для этого в досках сиденья сверлят под них отверстия 12 мм.

10. Наносят клей в пазы первой доски сиденья и укладывают её на боковины по разметке. Используя отверстия в доске сиденья как кондуктор, сверлят отверстия в боковинах. Смазывают клеем стенки полученных отверстий и забивают в них шканты молотком. Отступив примерно 5 мм, укладывают вторую доску и повторяют операцию.

14 В алюминиевых полозьях сверлят отверстия 06 мм и раззенковывают их под потайные головки нержавеющих шурупов 4×50 мм.

15 Полозья прикручивают, начиная от верха.

16 Детское сиденье из фанеры толщиной 15 мм собирают на шкантах и полностью проклеивают.

Итоги

Так как самодельные сани для снегохода своими руками будут использоваться зимой, необходимо тщательно подходить к выбору материалов и комплектующих, которые должны хорошо переносить самые низкие температуры.

Кроме того, необходимо учесть, что конструкция будет довольно часто подвергаться ударам, следовательно, они должны быть еще и очень прочными.

Если вы решите сделать не грузовые, а пассажирские

сани, к вопросу необходимо подойти очень тщательно. Безопасность при этом должна стоять на первом месте — это касается как выбора материалов, так и той тщательности, с которой надо соединять все детали.

Скорости при перемещении на снегоходе могут быть большими, а встречи с препятствиями обычно происходят неожиданно, поэтому надо продумать все важные моменты, чтобы конструкция ваших пассажирских саней была как можно более надежной.

Наличие саней дает множество дополнительных возможностей, при этом сделать такую конструкцию своими руками не так сложно. Ее сооружение не потребует больших затрат и не займет много времени.

При этом важно учитывать, что не бывает универсальных саней на все случаи жизни — а это значит, что в идеале стоит иметь комплект из нескольких разных конструкций, которых будет достаточно для любых ситуаций. Если вы делаете их своими руками, тщательно подходите к выбору материалов и к самому процессу работы. В этом случае сани, которые вы сделаете, будут надежным и долговечными

В этом случае сани, которые вы сделаете, будут надежным и долговечными

Если вы делаете их своими руками, тщательно подходите к выбору материалов и к самому процессу работы. В этом случае сани, которые вы сделаете, будут надежным и долговечными

и прослужат вам долгие годы.

Зима всегда приходит неожиданно, даже если ее очень ждешь: однажды утром, проснувшись и выглянув в окно, мы увидим долгожданный снег, который так манит детишек порезвиться! Да и взрослые обычно не прочь весело перекинуться парочкой снежков, с наслаждением вдыхая чистый морозный воздух и щурясь на сверкающий белизной, еще не тронутый снежный покров.

Не будет ошибкой сказать, что главный атрибут зимних детских (а часто и взрослых) игр – санки.

Не обойтись без санок и родителям, которым приходится возить детишек в детский сад; важное подспорье в хозяйстве – сани, приспособленные решения для различных задач. Как правило, любые сани можно купить в розничном или интернет магазине: выбор моделей огромен, ценовой диапазон очень широк, набор использованных материалов и расцветок также, как говорится, на любой вкус. Но как быть, если вы – человек творческий, а мастеровые руки соскучились по инструментам? Конечно же, приниматься за дело! А сэкономленные деньги, чувство удовлетворения результатом и гордость ребенка за своего отца, который «может все!», станут заслуженной наградой

Но как быть, если вы – человек творческий, а мастеровые руки соскучились по инструментам? Конечно же, приниматься за дело! А сэкономленные деньги, чувство удовлетворения результатом и гордость ребенка за своего отца, который «может все!», станут заслуженной наградой.

Итак, прежде, чем приняться за дело, следует выбрать тип санок, продумать их дизайн и устройство, а также определиться с материалами. Скажем честно, самостоятельно («на коленке») можно собрать санки классического типа либо финские сани, которые отличаются наличием в передней части сиденья со спинкой и удлиненными полозьями с небольшими противоскользящими платформами для ног. Как вариант, можно рассматривать снегокат с передней поворачивающейся лыжей и рулем, однако это несколько выходит за рамки данной статьи и санками, в строгом смысле, не являются.

Дизайн и устройство детских санок могут быть самыми разнообразными – от простеньких, нацеленных на решение строго утилитарных задач, до резных, с использованием ажурных элементов и частей из гнутого дерева, обычно в псевдотрадиционном стиле. Не будет секретом, что каждый домашний мастер выбирает конструкцию по своим возможностям и техническим навыкам, нередко отталкиваясь от имеющихся в наличии материалов.

Зимние сани с помощью труб из пластика своими руками: правила монтажа

Когда выпадает долгожданный снег, то хочется сразу окунуться в атмосферу радостного зимнего настроения, и для начала мы, как обычно направляемся в магазин за обмундированием.

Поделитесь в социальных сетях:ВКонтактеFacebookX
Напишите комментарий